
精准的锁模系统,杰出的能效,高效的伺服驱动,都能满足所有需求。以客户产品为中心,为客户提供整套技术解决方案,并为全球客户创造更佳的投资回报和客户体验。
◆ 锁模四段控制顶出、二段控制开锁模顶出均采用线性电子尺传感器,精密度达0.01mm;
◆ 可以准确控制锁模和顶出,可以选择震动顶出,停顿多次顶出或搭配电眼检出机铰润滑,采用电脑控制自动润滑;
◆ 可由电脑设定和监控并具备有警报功能保护机械正常运行。
同步液压精密调模机构液压马达驱动,中心定位齿轮调模,使调模运行为更顺畅快捷。
高刚性正四方箱型模板保证模具受力均匀,注塑无毛边延长模具寿命。
节能高响应油路设计,速度灵敏,节能率20%~50%消耗电费大幅递减。
锁模单元


高精密

高刚性

高响应
阳鑫天王星YS系列秉持台湾先进的设计理念,突破传统射出机的技术瓶颈,有效提升了成型精度,延长机器使用寿命大幅度降低了消耗!专业化和射出解决方案,针对各种原料和工艺提供齐全的专业螺杆料筒组合,并可提供多种材质供客户选择,提升用户产品品质。
射座和射胶全部采用线性导轨,高精度低摩擦系数,运行更平稳,调整灵敏。更有利于低粘度及高温材料的注塑成型,射移支架整体铸造,整体射台的钢性增强。
采用双射移结构,前拉式射台油缸,平行牵引,保持喷嘴与模具接触不偏移密封佳,不易漏胶。
注塑单元

高精度

高稳定
◆ 采用台湾制造先进的微电脑控制器400兆高速CPU可搭配半闭及全闭回路油压系统;
◆ 加上人性化图形操作介面,线上曲线检测功能及中央网路连线管理;
◆ 丰富的 SPC 品质管理介面,利于生产高精度产品为用户提高加值利润。
◆ 具备六段射出,三段保压,二段松退及保压位置切换控制等功能;
◆ 可以根据产品需要灵活调整,精确之射出终点及保压位置切换,实现高精密,高稳定性之射出性能;
◆ 射出采用线性电子尺,精度达 0.01mm ,可准确控制射出行程,可记录并同时显示连续生产过程抽样温度曲线,射出终点;
◆ 保压切换点,保压完成点曲线,并有历史曲线比对功能,精度达 0.1mm ,系统稳定性一目了然;
◆ 六段 PID 温度控制,精度可达± 1? ,并具备温度异常断线警报及上下限制设立功能,可精确掌控料温;
◆ 螺杆低温起动保护,防止螺杆意外损伤,可调定时预热功能,实时保温及料管自动加温功能,自动洗料功能。
微电脑控制器

伺服动力系统构成图&伺服电机
耗电量比较

驱动技术

技术参数
| 项目 | 单位 | YS-200 | |||
| 射 出 单 元 | 螺杆直径 | mm | Φ44 | Φ50 | Φ54 |
| 理论射出容积 | cm3 | 342 | 442 | 515 | |
| 射出量 | gram | 305 | 394 | 460 | |
| ozs | 10.8 | 13.9 | 16.2 | ||
| 射胶压力 | kg/cm2 | 2440 | 1890 | 1620 | |
| 射出速度 | mm/s | 96 | |||
| 射出率 | cm3/sec | 145 | 188 | 219 | |
| 螺杆转速 | rpm | 200 | |||
| 夹 模 单 元 | 闭模力 | metrictons | 510 | ||
| 夹模行程 | mm | 160-610 | |||
| 模厚 | mm | 332*332 | |||
| 建议最小模具尺寸 | mm | 510*510 | |||
| 大柱内距 | mm | 745*745 | |||
| 模盘尺寸 | mm | 130 | |||
| 托模行程 | mm | 21.2 | |||
| 电 气 单 元 | 电机马达 | kw | (0-400C)*5 | ||
| 温度控制器 | (range)set | 14.4 | |||
| 电热容量 | kw | 6080*1250*1860 | |||
| 其 他 | 机械尺寸 | mm | 340 | ||
| 机械重量 | metric tons | 7.5 | |||
| 最高系统压力 | kg/cm2 | 140 | |||
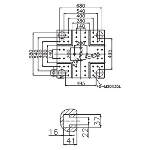
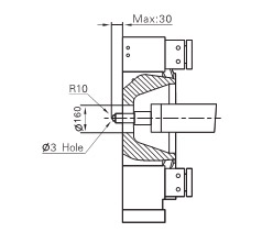
| 固定模板正面尺寸 | ![]() | ||||
| 模板侧面尺寸 | ![]() | ||||
注:本产品参数射出量按聚苯乙烯比重1.05,假设效率0.88计算,因产品不断研究改良,设计变更时,恕不另作通知。

>




