
YS系列伺服节能注塑机
精准的锁模系统,杰出的能效,高效的伺服驱动,都能满足所有需求,以客户产品为中心,为客户提供整套技术解决方案,并为全球客户创造更佳的投资回报和客户体验。
◆ 锁模四段控制顶出,二段控制开锁模顶出均采用线性电子尺传感器,精密度达0.01mm;
◆ 可以准确控制锁模和顶出,可以选择震动顶出,停顿多次顶出或搭配电眼检出和机铰润滑,采用电脑控制自动润滑;
◆ 可用电脑设定和监控并具备有警报功能保护机械正常运行。
同步液压精密调模机构液压马达驱动,中心定位齿轮调模,使调模运行为更顺畅快捷。
高刚性正四方箱型模板保证模具受力均匀,注塑无毛边延长模具寿命。
节能高响应油路设计,速度灵敏,节能率20%~50%消耗电费大幅递减。
锁模单元

高精密

高刚性

高响应
阳鑫天王星YS系列,秉持台湾先进的设计理念突破传统射出机的技术瓶颈,有效提升了成型精度,延长机器使用寿命大幅底降低了消耗!
专业化和射出解决方案,针对各种原料和工艺提供齐全的专业螺杆料筒组合,并可提供多种材质供客户选择,提升用户产品品质。
射座和射胶全部采用线性导轨,高精度低摩擦系数,运行更平衡,调整灵敏。更有利于低粘度及高温材料的注塑成型,射移支架整体铸造,整体射台的钢性增强。
采用双射移结构,前拉式射台油缸,平行牵引,保持喷嘴与模具接触不偏移密封佳,不易漏胶。
注塑单元

高精度

高稳定
MH9118控制系统,双CPU独立处理器控制,运行速度高效稳定;
互联互通功能,可以与OPCUA、MES等管理软件系统进行数据连接,实现智能生产;
丰富的SPC品质统计管理,有效提升用户生产效益。
伺服动力系统构成图
电脑控制系统

伺服液压驱动技术

YS系列标准注塑机应用行业产品

技术参数
| 项目Project | 单位Unit | YS-60 | YS-100 | YS-130 | ||||||||
| 注射单元 Injection unit | 注射单元 INJECTION UNIT | 150 | 250 | 500 | ||||||||
| 螺杆直径 Screw diameter | mm | Φ24 | Φ26 | Φ30 | Φ30 | Φ35 | Φ40 | Φ35 | Φ40 | Φ45 | ||
| 螺杆长径比 Screw L/D ratio | L/D | 20 | 19 | 18 | 26 | 22 | 20 | 25 | 22 | 20 | ||
| 理论注射容积 Theoretical injection volume | cm3/sec | 55 | 65 | 86 | 106 | 144 | 188 | 173 | 226 | 286 | ||
| 注射重量 Injection weight(ps) | g | 49 | 58 | 77 | 95 | 129 | 168 | 154 | 202 | 255 | ||
| oz | 1.7 | 2.0 | 2.7 | 3.3 | 4.5 | 5.9 | 5.4 | 7.1 | 9.0 | |||
| 注射压力 Injection pressure | kg/cm2 | 2722 | 2320 | 1742 | 2613 | 1920 | 1740 | 2331 | 1785 | 1410 | ||
| 塑化能力 Plasticizing capacity | g/s | 2 | 3 | 4 | 4 | 7 | 10 | 6 | 9 | 12 | ||
| 螺杆行程 Screw stroke | mm | 122 | 150 | 180 | ||||||||
| 螺杆转速 Scrwe speed | rpm | 240 | 267 | 225 | ||||||||
| 注射速度 Injection speed | mm/s | 114 | 101 | 94 | ||||||||
| 注射速率 Injection rate | cm3/sec | 51 | 60 | 80 | 71 | 97 | 127 | 90 | 118 | 149 | ||
| 锁模单元 Clamping unit | 锁模力 Clamping force | KN | 600 | 1000 | 1300 | |||||||
| 开模行程 Mold opening stroke | mm | 300 | 360 | 410 | ||||||||
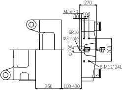
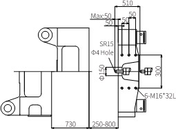
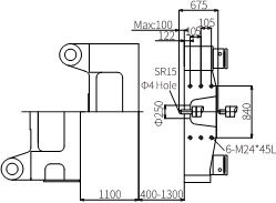
| 容模量 Mold thickness range | mm | 120-350 | 100-430 | 120-490 | ||||||||
| 最小模具尺寸 Mold heght min. | mm | 205*205 | 234*234 | 267*267 | ||||||||
| 拉杆内距 Tie bar distance | mm | 310*310 | 360*360 | 410*410 | ||||||||
| 顶出行程 Ejector stroke | mm | 60 | 100 | 100 | ||||||||
| 顶出力 Ejector force | KN | 27 | 27 | 27 | ||||||||
| 其他 Other | 油泵马达 Pump motor power | Kw | 9.4 | 12.5 | 15.5 | |||||||
| 温度控制器 Temperature control range | (range)set | (0-400℃)*4 | (0-400℃)*4 | (0-400℃)*4 | ||||||||
| 电热功率 Heater power | kw | 3.2 | 6 18 | 7 23 | ||||||||
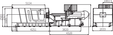
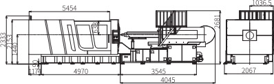
| 外形尺寸 Machine dimension | mm | 4100*1020*1800 | 4400*1035*1880 | 4917*1139*2026 | ||||||||
| 油箱容量 Oil tank | L | 130 | 160 | 160 | ||||||||
| 机器重量 Machine weight | ton | 2.5 | 3.5 | 4.5 | ||||||||
| 最大系统压力 Max. system pressure | kg/cm2 | 140 | 140 | 140 | ||||||||
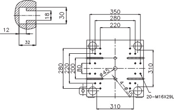
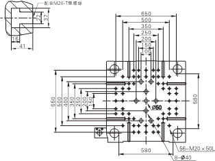
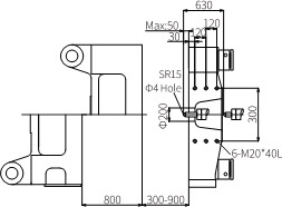
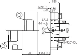
| 模版正面尺寸 Platen dimensions | ![]() | ![]() | ![]() | |||||||||
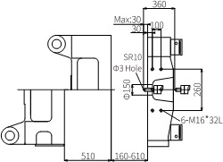
| 模版侧面尺寸 Platen dimensions | ![]() | ![]() | ![]() | |||||||||
| 外形尺寸 Machine dimensions | ![]() | ![]() | ![]() | |||||||||
技术参数
| 项目Project | 单位Unit | YS-160 | YS-200 | YS-260 | ||||||||
| 注射单元 Injection unit | 注射单元 INJECTION UNIT | 600 | 800 | 1100 | ||||||||
| 螺杆直径 Screw diameter | mm | Φ40 | Φ45 | Φ50 | Φ40 | Φ50 | Φ55 | Φ50 | Φ55 | Φ60 | ||
| 螺杆长径比 Screw L/D ratio | L/D | 24 | 21 | 19 | 23 | 21 | 19 | 24 | 22 | 20 | ||
| 理论注射容积 Theoretical injection volume | cm3/sec | 274 | 347 | 428 | 358 | 442 | 534 | 471 | 570 | 678 | ||
| 注射重量 Injection weight(ps) | g | 244 | 309 | 382 | 319 | 394 | 477 | 420 | 509 | 605 | ||
| oz | 8.6 | 10.9 | 13.5 | 11.3 | 13.9 | 16.8 | 14.8 | 17.9 | 21.4 | |||
| 注射压力 Injection pressure | kg/cm2 | 2205 | 1742 | 1411 | 2333 | 1890 | 1562 | 2394 | 1979 | 1663 | ||
| 塑化能力 Plasticizing capacity | g/s | 7 | 10 | 14 | 10 | 14 | 18 | 14 | 18 | 24 | ||
| 螺杆行程 Screw stroke | mm | 218 | 225 | 240 | ||||||||
| 螺杆转速 Scrwe speed | rpm | 189 | 180 | 180 | ||||||||
| 注射速度 Injection speed | mm/s | 96 | 91 | 89 | ||||||||
| 注射速率 Injection rate | cm3/sec | 120 | 152 | 188 | 144 | 178 | 215 | 175 | 212 | 253 | ||
| 锁模单元 Clamping unit | 锁模力 Clamping force | KN | 1600 | 2000 | 2600 | |||||||
| 开模行程 Mold opening stroke | mm | 450 | 510 | 540 | ||||||||
| 容模量 Mold thickness range | mm | 160-550 | 160-610 | 160-670 | ||||||||
| 最小模具尺寸 Mold heght min. | mm | 299*299 | 332*332 | 380*380 | ||||||||
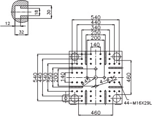
| 拉杆内距 Tie bar distance | mm | 460*460 | 510*510 | 580*580 | ||||||||
| 顶出行程 Ejector stroke | mm | 110 | 130 | 150 | ||||||||
| 顶出力 Ejector force | KN | 40 | 40 | 54 | ||||||||
| 其他 Other | 油泵马达 Pump motor power | Kw | 18.7 | 25.8 | 28.8 | |||||||
| 温度控制器 Temperature control range | (range)set | (0-400℃)*4 | (0-400℃)*4 | (0-400℃)*4 | ||||||||
| 电热功率 Heater power | kw | 8.42 | 11.75 | 15 | ||||||||
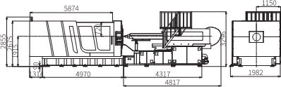
| 外形尺寸 Machine dimension | mm | 5608*1047*2045 | 5818*1143*2180 | 6766*1145*2215 | ||||||||
| 油箱容量 Oil tank | L | 200 | 320 | 400 | ||||||||
| 机器重量 Machine weight | ton | 5.5 | 7.5 | 11 | ||||||||
| 最大系统压力 Max. system pressure | kg/cm2 | 140 | 140 | 140 | ||||||||
| 模版正面尺寸 Platen dimensions | ![]() | ![]() | ![]() | |||||||||
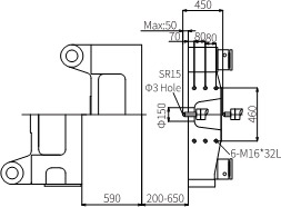
| 模版侧面尺寸 Platen dimensions | ![]() | ![]() | ![]() | |||||||||
| 外形尺寸 Machine dimensions | ![]() | ![]() | ![]() | |||||||||
技术参数
| 项目Project | 单位Unit | YS-320 | YS-380 | YS-470 | ||||||||
| 注射单元 Injection unit | 注射单元 INJECTION UNIT | 1700 | 2200 | 3000 | ||||||||
| 螺杆直径 Screw diameter | mm | Φ60 | Φ65 | Φ70 | Φ65 | Φ70 | Φ75 | Φ75 | Φ80 | Φ85 | ||
| 螺杆长径比 Screw L/D ratio | L/D | 23 | 21 | 19 | 23 | 22 | 20 | 22 | 21 | 19 | ||
| 理论注射容积 Theoretical injection volume | cm3/sec | 791 | 929 | 1077 | 1015 | 1177 | 1351 | 1501 | 1708 | 1928 | ||
| 注射重量 Injection weight(ps) | g | 706 | 829 | 961 | 906 | 1050 | 1206 | 1340 | 1525 | 1721 | ||
| oz | 24.9 | 29.3 | 33.9 | 32.0 | 37.1 | 42.5 | 47.3 | 53.8 | 60.7 | |||
| 注射压力 Injection pressure | kg/cm2 | 2191 | 1867 | 1610 | 2195 | 1893 | 1649 | 2050 | 1801 | 1596 | ||
| 塑化能力 Plasticizing capacity | g/s | 27 | 34 | 43 | 27 | 33 | 41 | 39 | 47 | 56 | ||
| 螺杆行程 Screw stroke | mm | 280 | 306 | 340 | ||||||||
| 螺杆转速 Scrwe speed | rpm | 205 | 106 | 150 | ||||||||
| 注射速度 Injection speed | mm/s | 85 | 92 | 93 | ||||||||
| 注射速率 Injection rate | cm3/sec | 240 | 281 | 326 | 306 | 355 | 408 | 410 | 466 | 526 | ||
| 锁模单元 Clamping unit | 锁模力 Clamping force | KN | 3200 | 3800 | 4700 | |||||||
| 开模行程 Mold opening stroke | mm | 590 | 645 | 730 | ||||||||
| 容模量 Mold thickness range | mm | 200-650 | 190-790 | 250-800 | ||||||||
| 最小模具尺寸 Mold heght min. | mm | 397*397 | 470*440 | 530*510 | ||||||||
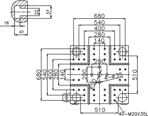
| 拉杆内距 Tie bar distance | mm | 660*660 | 720*680 | 820*780 | ||||||||
| 顶出行程 Ejector stroke | mm | 185 | 200 | 200 | ||||||||
| 顶出力 Ejector force | KN | 79 | 79 | 99 | ||||||||
| 其他 Other | 油泵马达 Pump motor power | Kw | 37 | 47.2 | 28.8+28.8 | |||||||
| 温度控制器 Temperature control range | (range)set | (0-400℃)*4 | (0-400℃)*4 | (0-400℃)*4 | ||||||||
| 电热功率 Heater power | kw | 15 | 21 | 27.22 | ||||||||
| 外形尺寸 Machine dimension | mm | 6740*1752*1604 | 8198*1752*2295 | 8300*1976*2405 | ||||||||
| 油箱容量 Oil tank | L | 450 | 620 | 940 | ||||||||
| 机器重量 Machine weight | ton | 12 | 14 | 18.5 | ||||||||
| 最大系统压力 Max. system pressure | kg/cm2 | 140 | 140 | 140 | ||||||||
| 模版正面尺寸 Platen dimensions | ![]() | ![]() | ![]() | |||||||||
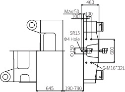
| 模版侧面尺寸 Platen dimensions | ![]() | ![]() | ![]() | |||||||||
| 外形尺寸 Machine dimensions | ![]() | ![]() | ![]() | |||||||||
技术参数
| 项目Project | 单位Unit | YS-550 | YS-650 | YS-750 | |||||||||||
| 注射单元 Injection unit | 注射单元 INJECTION UNIT | 5100 | 5900 | 7400 | |||||||||||
| 螺杆直径 Screw diameter | mm | Φ80 | Φ85 | Φ90 | Φ95 | Φ85 | Φ90 | Φ95 | Φ100 | Φ90 | Φ95 | Φ100 | Φ110 | ||
| 螺杆长径比 Screw L/D ratio | L/D | 24 | 23 | 22 | 21 | 23 | 22 | 21 | 20 | 22 | 21 | 20 | 18 | ||
| 理论注射容积 Theoretical injection volume | cm3/sec | 2165 | 2444 | 2741 | 3053 | 2552 | 2861 | 3188 | 3533 | 2988 | 3330 | 3690 | 4464 | ||
| 注射重量 Injection weight(ps) | g | 1933 | 2182 | 2446 | 2725 | 2278 | 2554 | 2845 | 3153 | 2667 | 2972 | 3293 | 3984 | ||
| oz | 68.2 | 77.0 | 86.3 | 96.1 | 80.3 | 90.1 | 100.4 | 111.2 | 94.1 | 104.8 | 116.2 | 140.5 | |||
| 注射压力 Injection pressure | kg/cm2 | 2380 | 2108 | 1880 | 1688 | 2329 | 2078 | 1865 | 1683 | 2498 | 2242 | 2023 | 1672 | ||
| 塑化能力 Plasticizing capacity | g/s | 47 | 57 | 68 | 79 | 60 | 71 | 84 | 98 | 76 | 89 | 104 | 139 | ||
| 螺杆行程 Screw stroke | mm | 431 | 450 | 470 | |||||||||||
| 螺杆转速 Scrwe speed | rpm | 152 | 160 | 170.8 | |||||||||||
| 注射速度 Injection speed | mm/s | 90 | 86 | 76 | |||||||||||
| 注射速率 Injection rate | cm3/sec | 452 | 511 | 573 | 638 | 487 | 545 | 608 | 673 | 484 | 540 | 598 | 724 | ||
| 锁模单元 Clamping unit | 锁模力 Clamping force | KN | 5500 | 6500 | 7500 | ||||||||||
| 开模行程 Mold opening stroke | mm | 800 | 900 | 1000 | |||||||||||
| 容模量 Mold thickness range | mm | 300-900 | 350-1100 | 400-1100 | |||||||||||
| 最小模具尺寸 Mold heght min. | mm | 525*525 | 560*560 | 626*626 | |||||||||||
| 拉杆内距 Tie bar distance | mm | 860*860 | 910*910 | 980*980 | |||||||||||
| 顶出行程 Ejector stroke | mm | 220 | 220 | 240 | |||||||||||
| 顶出力 Ejector force | KN | 161 | 226 | 209 | |||||||||||
| 其他 Other | 油泵马达 Pump motor power | Kw | 28.8+37 | 28.8+37 | 37+37 | ||||||||||
| 温度控制器 Temperature control range | (range)set | (0-400℃)*4 | (0-400℃)*4 | (0-400℃)*4 | |||||||||||
| 电热功率 Heater power | kw | 3 15 | 34.25 | 40.73 | |||||||||||
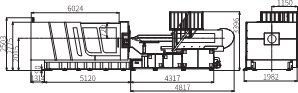
| 外形尺寸 Machine dimension | mm | 9809*2033*2746 | 10189*2067*2681 | 11101*1982*3296 | |||||||||||
| 油箱容量 Oil tank | L | 1000 | 1200 | 1400 | |||||||||||
| 机器重量 Machine weight | ton | 24 | 29 | 40 | |||||||||||
| 最大系统压力 Max. system pressure | kg/cm2 | 170 | 170 | 170 | |||||||||||
| 模版正面尺寸 Platen dimensions | ![]() | ![]() | ![]() | ||||||||||||
| 模版侧面尺寸 Platen dimensions | ![]() | ![]() | ![]() | ||||||||||||
| 外形尺寸 Machine dimensions | ![]() | ![]() | ![]() | ||||||||||||
技术参数
| 项目Project | 单位Unit | YS-850 | YS-1000 | YS-1250 | YS-1480 | ||||||||||||||
| 注射单元 Injection unit | 注射单元 INJECTION UNIT | 9800 | 11000 | 11000 | 25000 | ||||||||||||||
| 螺杆直径 Screw diameter | mm | Φ95 | Φ100 | Φ110 | Φ120 | Φ100 | Φ110 | Φ120 | Φ130 | Φ100 | Φ120 | Φ130 | Φ140 | Φ130 | Φ140 | Φ150 | Φ160 | ||
| 螺杆长径比 Screw L/D ratio | L/D | 23 | 22 | 20 | 18 | 23 | 21 | 19 | 18 | 21 | 19 | 18 | 17 | 23 | 21 | 20 | 19 | ||
| 理论注射容积 Theoretical injection volume | cm3/sec | 3684 | 4082 | 4939 | 5878 | 4318 | 5224 | 6217 | 7297 | 5224 | 6217 | 7297 | 8462 | 10746 | 12463 | 14307 | 16278 | ||
| 注射重量 Injection weight(ps) | g | 3288 | 3643 | 4408 | 5246 | 3853 | 4663 | 5549 | 6512 | 4663 | 5549 | 6512 | 7553 | 9591 | 11123 | 12769 | 14528 | ||
| oz | 116.0 | 128.5 | 155.5 | 185.1 | 135.9 | 164.5 | 195.7 | 229.7 | 164.5 | 195.7 | 229.7 | 266.4 | 338.3 | 392.3 | 450.4 | 512.4 | |||
| 注射压力 Injection pressure | kg/cm2 | 2670 | 2410 | 1992 | 1673 | 2570 | 2124 | 1785 | 1521 | 2124 | 1785 | 1521 | 1311 | 2390 | 2061 | 1795 | 1578 | ||
| 塑化能力 Plasticizing capacity | g/s | 97 | 113 | 151 | 196 | 110 | 146 | 190 | 241 | 155 | 202 | 256 | 320 | 189 | 236 | 290 | 352 | ||
| 螺杆行程 Screw stroke | mm | 520 | 550 | 550 | 810 | ||||||||||||||
| 螺杆转速 Scrwe speed | rpm | 186 | 180 | 191 | 141 | ||||||||||||||
| 注射速度 Injection speed | mm/s | 86 | 88 | 94 | 86 | ||||||||||||||
| 注射速率 Injection rate | cm3/sec | 611 | 677 | 724 | 975 | 694 | 840 | 1000 | 1174 | 894 | 1063 | 1248 | 1448 | 1138 | 1320 | 1515 | 1724 | ||
| 锁模单元 Clamping unit | 锁模力 Clamping force | KN | 8500 | 10000 | 12500 | 14200 | |||||||||||||
| 开模行程 Mold opening stroke | mm | 1000 | 1100 | 1275 | 1450 | ||||||||||||||
| 容模量 Mold thickness range | mm | 400-1200 | 400-1300 | 450-1400 | 500-1500 | ||||||||||||||
| 最小模具尺寸 Mold heght min. | mm | 625*625 | 690*690 | 790*790 | 845*845 | ||||||||||||||
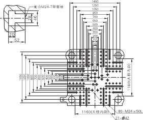
| 拉杆内距 Tie bar distance | mm | 1060*1060 | 1160*1160 | 1260*1260 | 1320*1320 | ||||||||||||||
| 顶出行程 Ejector stroke | mm | 240 | 300 | 320 | 340 | ||||||||||||||
| 顶出力 Ejector force | KN | 209 | 262 | 262 | 300 | ||||||||||||||
| 其他 Other | 油泵马达 Pump motor power | Kw | 37+28.8+28.8 | 37+37+28.8 | 37+37+37 | 42+42+31.4 | |||||||||||||
| 温度控制器 Temperature control range | (range)set | (0-400℃)*4 | (0-400℃)*4 | (0-400℃)*4 | (0-400℃)*4 | ||||||||||||||
| 电热功率 Heater power | kw | 46.48 | 51.2 | 62.78 | 76.13 | ||||||||||||||
| 外形尺寸 Machine dimension | mm | 11251*1982*3396 | 11936*2535*2826 | 12820*2535*2801 | 14420*2940*3161 | ||||||||||||||
| 油箱容量 Oil tank | L | 1600 | 1700 | 1700 | 2500 | ||||||||||||||
| 机器重量 Machine weight | ton | 42 | 50.8 | 74 | 84 | ||||||||||||||
| 最大系统压力 Max. system pressure | kg/cm2 | 170 | 170 | 170 | 170 | ||||||||||||||
| 模版正面尺寸 Platen dimensions | ![]() | ![]() | ![]() | ![]() | |||||||||||||||
| 模版侧面尺寸 Platen dimensions | ![]() | ![]() | ![]() | ![]() | |||||||||||||||
| 外形尺寸 Machine dimensions | ![]() | ![]() | ![]() | ![]() | |||||||||||||||
YS系列标准机器配置
| YS系列标准机器配置 | |
| 配置 | |
| 锁模部分 | |
| 精密电子尺控制锁模/顶出行程/射胶行程 | ● |
| 锁模大板及射胶大板及机铰采用QT500-7A球墨铸铁 | ● |
| 预留机械手安装螺纹孔 | ● |
| 液压驱动齿轮调模装置 | ● |
| 液压、电气双重保护 | ● |
| 移动模板耐磨锰钢带轨道 | ● |
| 自动集中容积式润滑系统 | ● |
| 多种顶出功能可选 | ● |
| 低压模具保护功能 | ● |
| T型槽、码模孔复合模板 | ● |
| 自动调模功能 | ● |
| 顶出强制复位功能 | ● |
| 机门边加装防夹伤缓冲条设计 | ● |
| 锁模钣金四周全封闭防护(高度2米内加活动盖板) | ● |
| 免调节式机械安全锁撞杆(60T~450可选) | ○ |
| 特殊模具安装孔 | ○ |
| 吊模架(200T以下) | ○ |
| 模具隔热板 | ○ |
| 加大顶出力、加大顶出行程 | ○ |
| 加大容模量 | ○ |
| 磁力模板 | ○ |
| 顶退确认功能 | ○ |
| 更改固定板模具定位环 | ○ |
| 机架与活动门间防护挡板 | ○ |
| 射台部分 | |
| 双缸平衡注射系统 | ● |
| 低速大扭矩液压马达 | ● |
| 氮化合金钢螺杆料筒 | ● |
| 下料口冷却装置 | ● |
| 射嘴及料管多段PID温度控制 | ● |
| 双射移油缸 | ● |
| 半封闭式保温罩、射嘴防护罩 | ● |
| 螺杆防冷启动功能 | ● |
| 自动清料功能 | ● |
| 熔胶前、后松退可选 | ● |
| 移动或滚动料斗装置(60-450T) | ● |
| 螺杆转速检测 | ● |
| 陶瓷发热圈 | ○ |
| 高速低扭矩液压马达 | ○ |
| 专用料管组(电镀、双合金、PC、PMMA、PBT、PA等) | ○ |
| 料筒风冷装置 | ○ |
| 弹簧自锁射嘴 | ○ |
| 加大注射行程或加大(减少)一级射胶机构 | ○ |
| 旋转射台 | ○ |
| 红外发热圈 | ○ |
| 射移电子尺 | ○ |
| 射台手动润滑泵集中加润滑脂(550T及以上机型) | ● |
| 射台手动润滑泵集中加润滑脂(550T以下机型) | ○ |
| 不锈钢上料斗 | ○ |
| 料斗滑轨(450T及以上机型) | ○ |
| 料斗滑轨(450T以下机型) | ● |
| 下料口防护装置 | ○ |
| 液压系统 | |
| 第三代伺服泵系统 | ● |
| 高精密实时旁路滤油器装置 | ○ |
| 低噪音节能型液压回路 | ● |
| 进口名牌液压控制阀 | ● |
| 进口名牌液压密封件 | ● |
| 差动快速合模油路(200T以上机型) | ● |
| 内置式冷却器(450T及以下机型) | ● |
| 开模刹车油路设计(开模背压) | ● |
| 油温自动检测及高低温报警 | ● |
| 外露高压油管配防爆链 | ● |
| 全机标配一组带阀抽芯(550T以上两组) | ● |
| 多组运水装置并配快速插头 | ● |
| 熔胶比例背压控制(550T及以上机型标配) | ○ |
| 加大多级油泵、电机 | ○ |
| 加大多级熔胶马达 | ○ |
| 同步顶出、抽芯、熔胶系统 | ○ |
| 高响应蓄能伺服注射系统 | ○ |
| 多组抽芯装置 | ○ |
| 加装液压旋转脱模装置 | ○ |
| 玻璃管冷却流量计 | ○ |
| 增加液压油位置传感器 | ○ |
| 带位置反馈液压安全阀 | ○ |
| 液压安全凸轮阀 | ● |
| 电气部分 | |
| 料筒加热强制保护 | ● |
| 输入、输出检视画面 | ● |
| 自动保温及自动加热设定功能 | ● |
| 射胶转保压方式:时间/位置/时间+位置 | ● |
| 10寸TFT真彩色LCD显示屏(550T及以上机型) | ● |
| 8寸TFT真彩色LCD显示屏(550T以下机型) | ● |
| 240组大容量工艺参数存储空间,USB存储接口 | ● |
| 多种操作语言 | ● |
| 可设置多级密码保护,操作面板带锁按键钥匙 | ● |
| 前后安全门急停开关保护 | ● |
| 质量数据过程控制界面 | ● |
| 生产统计过程控制(SPC)实时列表界面 | ● |
| 预留吹风、抽芯回保护等多种接口(有软件,无硬件) | ● |
| 二组AC380V/16A三相插座,一组AC220V/10A多功能二三插插座 | ● |
| 热流道模具针阀控制 | ○ |
| 国内机械手电气接口 | ○ |
| 欧标67机械手电气接口 | ○ |
| 欧标12机械手电气接口 | ○ |
| 电动安全门(550T及以上机型) | ● |
| 双色报警灯 | ● |
| 热流道接口 | ○ |
| 气动顺序阀 | ○ |
| 电动旋转脱模接口 | ○ |
| 更改电源电压 | ○ |
| 一组吹气带阀装置 | ○ |
| 多组吹气带阀装置 | ○ |
| 气辅注射装置 | ○ |
| 中央(联网)监控系统 | ○ |
| 前、后安全门内光栅保护(550T及以上机型) | ○ |
| 电脑整机能耗显示 | ○ |
| 增加电度表 | ○ |
| 电热圈使用固态继电器 | ● |
| 欧洲品牌电脑系统 | ○ |
| 射嘴直接温度控制 | ○ |
| 后安全门操作(需客户承诺安全责任) | ○ |
| 前安全门关门到位上屏确认 | ○ |
| 总电源空气开关 | ● |
| 电热总控制配交流接触器 | ● |
| 隔离变压器 | ○ |
| 其他部分 | |
| 说明书 | ● |
| 避震脚 | ● |
| 工具箱及工具一套 | ● |
| 码模夹 | ● |
| 射嘴专用扳手 | ● |
| 液压油 | ○ |
| 干燥机 | ○ |
| 自动上料机 | ○ |
| 备注:●表示该功能标配;○表示该功能选配; | |
可用于各种热固性(电木)产品生产:胶木、餐具、手轮、手柄、电木把手、刀具、拉手、胶木、锅柄、刀柄、电木旋转、开关、烤炉配件、接线端子、端钮、电表配件、电表壳等电木制品。
卧式电木专用注塑机
产品运用:
苹果框、芒果框、橘子框、葡萄框…等各类周转框。
1、伺服油泵动力系统全部加大;
2、模板、哥林柱等关键部位零部件采用硬化分板全新设计;
3、采用高速机专用电脑控制器能快速稳定运行,比市场同类型普通果框机快10%-20%;
4、润滑系统采用点对点定量润滑系统,保证每一滴油润滑到位;
5、采用果框机专用合金螺杆,延长螺杆使用寿命。
果框专用注塑机

产品特性:
技术参数
| 项目 | 单位 | YS-130B | YS-160B | YS-200B | YS-300B | |||||
| 射出单元 | 螺杆直径 | mm | Φ36 | Φ40 | Φ40 | Φ44 | Φ44 | Φ50 | Φ68 | Φ75 |
| 理论射出容量 | cm3 | 163 | 226 | 274 | 331 | 342 | 442 | 1111 | 1351 | |
| 射出量 | gram | 180 | 250 | 303 | 366 | 378 | 488 | 1227 | 1492 | |
| ozs | 4.3 | 5.9 | 8.6 | 10.4 | 10.8 | 13.9 | 35.0 | 42.5 | ||
| 射胶压力 | kg/cm2 | 2035 | 1470 | 2205 | 1822 | 2440 | 1890 | 2006 | 1648 | |
| 射出速度 | mm/s | 88 | 84 | 90 | 80 | |||||
| 射出率 | cm2/sec | 92 | 127 | 106 | 128 | 145 | 188 | 291 | 354 | |
| 夹模单元 | 闭模力 | metrictons | 128 | 160 | 200 | 300 | ||||
| 夹模行程 | mm | 410 | 450 | 510 | 590 | |||||
| 模厚 | mm | 120-490 | 160-550 | 160-610 | 200-650 | |||||
| 建议最小模具尺寸 | mm | 267*367 | 299*299 | 332*332 | 397*397 | |||||
| 大柱内距 | mm | 410*410 | 460*460 | 510*510 | 660*660 | |||||
| 模盘尺寸 | mm | 600*600 | 670*670 | 745*745 | 894*894 | |||||
| 托模行程 | mm | 100 | 110 | 130 | 185 | |||||
| 电气单元 | 电机马达 | Kw | 14.1 | 16.5 | 21.2 | 31.4 | ||||
| 温度控制器 | (range)set | (0-400℃)*4 | (0-400℃)*4 | (0-400℃)*4 | (0-400℃)*4 | |||||
| 电热容量 | Kw | 8.88 | 11.45 | 14.4 | 19.75 | |||||
| 其他 | 机械尺寸 | mm | 5000*1050*1790 | 5555*1100*1790 | 6080*1250*1860 | 7340*1430*2100 | ||||
| 油箱容量 | liter | 210 | 250 | 340 | 450 | |||||
| 机械重量 | metrictons | 4.5 | 5.5 | 7.5 | 12 | |||||
| 最高系统压力 | kg/cm2 | 140 | 140 | 140 | 140 | |||||
技术参数
| 项目 | 单位 | YS-320K | YS-380K | YS-470K | YS-550K | |
| 射出单元 | 螺杆直径 | mm | Φ65 | Φ75 | Φ85 | Φ95 |
| 理论射出容量 | cm3 | 929 | 1351 | 1928 | 3053 | |
| 射出量 | gram | 829 | 1206 | 1721 | 2725 | |
| ozs | 29.2 | 42.5 | 60.7 | 96.1 | ||
| 射胶压力 | kg/cm2 | 1417 | 1648 | 1770 | 1535 | |
| 射出速度 | mm/s | 106 | 103 | 105 | 107 | |
| 射出率 | cm2/sec | 350 | 453 | 593 | 760 | |
| 夹模单元 | 闭模力 | metrictons | 300 | 380 | 470 | 550 |
| 夹模行程 | mm | 590 | 645 | 730 | 800 | |
| 模厚 | mm | 200-650 | 190-790 | 250-800 | 350-900 | |
| 建议最小模具尺寸 | mm | 397*397 | 425*415 | 475*475 | 525*525 | |
| 大柱内距 | mm | 660*660 | 710*690 | 760*760 | 860*860 | |
| 模盘尺寸 | mm | 894*894 | 1000*980 | 1120*1120 | 1250*1250 | |
| 托模行程 | mm | 185 | 200 | 200 | 220 | |
| 电气单元 | 电机马达 | Kw | 31.4 | 31.4 | 42.4 | 30+30 |
| 温度控制器 | (range)set | (0-400℃)*4 | (0-400℃)*4 | (0-400℃)*4 | (0-400℃)*4 | |
| 电热容量 | Kw | 19.75 | 23.05 | 23.05 | 27.7 | |
| 其他 | 机械尺寸 | mm | 7340*1430*2100 | 8020*1500*2175 | 8340*1920*2210 | 9350*1950*2220 |
| 油箱容量 | liter | 450 | 620 | 780 | 1000 | |
| 机械重量 | metrictons | 12 | 14 | 18.5 | 24 | |
| 最高系统压力 | kg/cm2 | 140 | 140 | 140 | 140 | |

>
















































